軸承的種類有很多,其中有種是推力球軸承,推力球軸可用于承重機吊鉤、立式水泵、立式離心機、千斤頂、低速減速器等。推力球軸承采用高速運轉時可承受推力載荷的設計,由帶有球滾動的滾道溝的墊圈狀套圈構成。那么對于推力球軸承你們了解多少呢?推力球軸承的安裝關鍵點,推力球軸承安裝方法你們知道嗎?下面起來看下吧。
先我們先來了解下什么是推力球軸承。
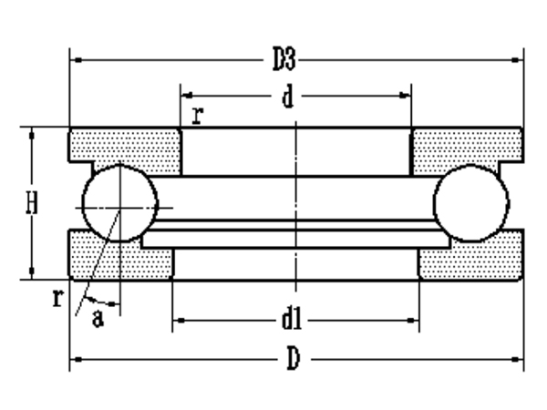
、什么是推力球軸承
推力球軸承是種分離型軸承,軸圈、座圈可以和保持架、鋼球的組件分離。軸圈是與軸相配合的套圈,座圈是與軸承座孔相配合的套圈,和軸之間有間隙;推力球軸承只能夠承受軸向負荷, 單向推力球軸承是只能承受個方向的軸向負荷, 雙向推力球軸承可以承受兩個方向的軸向負荷; 推力球軸承不能限制軸的徑向位移,限轉速很低, 單向推力球軸承可以限制軸和殼體的個方向的軸向位移, 雙向軸承可以限制兩個方向的軸向位移。
以上就是推力球軸承的介紹,在了解了推力球軸承的含義之后,接下來給大家介紹如何正確的安裝推力軸承以及要注意的事項有哪些?

二、推力球軸承安裝方法
推力球軸承與軸的配合般為過渡配合,座圈與軸承座孔的配合般為間隙配合,雙向推力球軸承的中軸圈應在軸上固定,以防止相對于軸轉動。推力球軸承的安裝方法,般情況下是軸旋轉的情況居多,因此內圈與軸的配合為過贏配合,軸承外圈與軸承室的配合為間隙配合。
安裝推力球軸承時,應檢驗軸圈和軸中心線的垂直度。方法是將千分表固定于箱殼面,使表的觸頭頂在軸承軸圈滾道上邊轉動軸承,邊觀察千分表指針,若指針偏擺,說明軸圈和軸中心線不垂直。箱殼孔較深時,亦可用加長的千分表頭檢驗。推力球軸承安裝正確時,其座圈能自動適應滾動體的滾動,確保滾動體位于上下圈滾道。如果裝反了,不僅軸承工作不正常,且各配合面會遭到嚴重磨損。由于軸圈與座圈和區別不很明顯,裝配中應格外小心,切勿搞錯。此外,推力球軸承的座圈與軸承座孔之間還應留有0.2—0.5mm的間隙,用以補償零件加工、安裝不準確造成的誤差,當運轉中軸承套圈中心偏移時,此間隙可確保其自動調整,避免碰觸摩擦,使其正常運轉。否則,將引起軸承劇烈損傷。
平面推力球軸承在裝配體中主要承受軸向載荷,其應用廣泛。雖然推力球軸承安裝操作比較簡單,但實際維修時仍常有錯誤發生,即軸承的緊環和松環安裝位置不正確,結果使軸承失去作用,軸頸很快地被磨損。緊環內圈與軸頸為過渡配合,當軸轉動時帶動緊環,并與靜止件面發生摩擦,在受到軸向作用力(Fx)時,將出現摩擦力矩大于內徑配合阻力矩,導致緊環與軸配合面強制轉動,加劇軸頸磨損。
因此,推力球軸承安裝時應注意以下幾點。
三、推力球軸承安裝注意事項
1、分清軸承的緊環和松環(根據軸承內徑大小判斷,孔徑相差0.1~0.5mm)。
2、分清機構的靜止件(即不發生運動的部件,主要是指裝配體)。
3、無論什么情況,軸承的松環始終應靠在靜止件的面上。
本文就詳細的為大家介紹了關于推力球軸承的安裝方面的些介紹。希望通過本文介紹可以給大家帶來幫助。大家在安裝過程中定要正確安裝,避免造成推力球軸承的損壞。
15637959300
全國統一咨詢電話
在線咨詢地址:河南省 洛陽市 宜陽軸承產業園區
固話:0379-65216522
銷售:anan@lmc.cn / ly8536@lmc.cn
供應:ly95999@lmc.cn
技術:ly2885@lmc.cn